Печатная плата и детали сборки
Специально для начинающих радиолюбителей предлагаем два варианта сборки бегущих огней: на макетной и на печатной плате. В обоих случаях рекомендуется использовать микросхему в PDIP корпусе, устанавливаемую в DIP-20 панельку. Все остальные детали также в DIP корпусах. В первом случае достаточно будет макетной платы 50х50 мм с шагом 2,5 мм. При этом светодиоды можно разместить, как на плате, так и на отдельной линейке, соединив их с макетной платой гибкими проводами.

Если бегущие огни на светодиодах предполагается активно использовать в дальнейшем (например, в автомобиле, велосипеде), то лучше собрать миниатюрную печатную плату. Для этого понадобится односторонний текстолит размером 55*55 мм, а также радиоэлементы:
- С1 – 100 мкФ-6,3В;
- DD1 – ATtiny2313;
- HL1-HL13 – LED любого цвета диаметром 3 мм;
- R1 – 10 кОм-0,25 Вт±5%;
- R2-R18 – 1 кОм-0,25 Вт±5%;
- SB1-SB3 – тактовая кнопка KLS7-TS6601 (любая аналогичная);
- SA1 – трёхвыводной движковый переключатель ESP1010.
Для тех, кто имеет опыт изготовления печатных плат, лучше использовать ATtiny2313 форм-фактора SOIC, а также smd резисторы. Это позволит уменьшить размеры устройства примерно в 2 раза. Также можно взять сверхъяркие smd светодиоды и разместить их отдельным блоком.
Описание электрической схемы
Для практической реализации приведенной схемы необходим мультивибратор, основу которого составляет микросхема DD1 К561ЛА7 и микросхема-счетчик DD2 К561ИЕ8. С помощью первой микросхемы создаются импульсы, включающие светодиоды. Благодаря микросхеме-счетчику осуществляется переключение питания для определенных групп светодиодных огней.
Транзисторы VT1-VT2 используются в качестве усилителей, которые открываются благодаря напряжению, поступающему с ноги счетчика. Конденсаторы С2 и С3 играют роль фильтров питания. Подбирая емкость конденсатора С1, можно уменьшать или увеличивать, когда будут переключаться светодиоды. Для монтирования конструкции светодиодного стопа лучше всего подойдет печатная текстолитовая плата с размерами 37 х 50 мм.
Габариты печатной платы
Габариты печатной платы
Данная конструкция требует минимальную силу тока и почти не нагревается. Это дает возможность сборку, которая управляет светодиодами, сделать в этом же корпусе стоп-сигнала. При этом питание можно подключить к снятой штатной лампе.
Ниже приведена схема, которую легко реализовать.
Реализация мигания светодиодов
По данной схеме группы к выводам Out1 — Out3. Сколько светодиодов будет в целом, зависит от питания. Если лампочек слишком много, то учитывать нужно, какое питание поступает на схему от бортовой сети, составляющее 12 В. Транзисторы КТ972А необходимо защитить с помощью теплоотводящих радиаторов. По желанию можно транзистор КТ972А заменить парой менее мощных транзисторов КТ315 и мощным элементом КТ815 или аналогичными элементами.
Детали DD1.1 и DD1.2, включенные в схему, играют роль генератора, который служит для подачи импульсов на вход счетчика К561ИЕ8. Аналогично предыдущему случаю, с помощью счетчика генерируются управляющие импульсы для транзисторов. Подбирая сопротивление R6, значение его номинала должно составлять не менее 1 кОм. Для создания бегущих огней можно использовать печатную плату. Благодаря навесному монтажу конструкция получается миниатюрных размеров.
Миниатюрные размеры платы
Естественно, светодиодные лампочки размещают прямо на панели стоп-сигнала, так как печатная плата слишком мала, чтобы поместить на нее светодиоды. Следует помнить о надежности, поэтому необходимо обеспечить максимальную защиту электрических соединений и контактов от попадания влаги. Для обеспечения питанием дополнительного стопа его подключают к проводке основного стопа в багажнике. Возможен вариант подключения к плате световых приборов.
Изготавливаем простые бегущие огни

Светодиоды могут быть расположены свободно и держаться за счет проводов. Но для удобства, лучше изготовить корпус для наших огней. Возьмем кусок пластика, просверлим в нем десять отверстий. Отрежем излишки, оставив тонкую полоску.

Разгибаем усики светодиодов, и вставляем их в отверстия пластика.

Контакты светодиодов находящиеся с одной из сторон припаиваем к перемычке.


Выступающие за перемычку контакты отрезаем.


Далее производим сборку схемы по рисунку.


- контакт 3 микросхемы припаиваем к первому светодиоду;
- контакт 2 – ко второму светодиоду;
-
контакт 4 – к третьему светодиоду;
- контакт 7 – к четвертому светодиоду;
- контакт 8,13,15 соединяем перемычкой и выводим на минус « ̶ », удобнее загнуть эти контакты внутрь и спаять снизу микросхемы.
- контакт 1 – к шестому светодиоду;
- контакт 5 – к седьмому светодиоду;
- контакт 6 – к восьмому светодиоду;
- контакт 10 – к пятому светодиоду;
-
контакт 9 – к девятому светодиоду;
-
контакт 11 – к десятому светодиоду;
-
к контакту 14 и 16 микросхемы припаиваем красный светодиод;
-
и к контакту 16 припаиваем провод к плюсу «+»;
- впаиваем резистор на 470 Ом между замкнутыми контактами светодиодов и минусовым выводом;
-
резистор на 330 Ом припаиваем к минусовому проводу и контакту 14 микросхемы;
- прибор готов.


Подаем напряжение от 5 до 12 Вольт на выводы схемы. Для этого можно использовать блок питания или обычные батарейки и аккумуляторы. Наслаждаемся результатом.

Простая схема бегущих светодиодных огней
Компоненты для этого проекта
2 х 2N2222A (NPN Транзистор) 2 x 22 мкФ — 50 В конденсатор (поляризованный) Резистор 2 x 46 кОм (1/4 Вт) Яркий белый светодиод 6 х 8 мм 12 В блок питания
Принцип работы
Из принципиальной схемы ясно, что проект основан на простом Astable Multivibrator. При включении цепи один транзистор будет включен (в режиме насыщения), а другой будет выключен (в режиме отсечки).
Предполагая, что Т1 включен, а Т2 выключен, конденсатор C2 будет заряжаться через последовательные светодиоды. Поскольку светодиоды подключены на пути тока, они загорятся.
В течение этого времени транзистор Т2 выключен из-за разрядного конденсатора С1 (поскольку отрицательная пластина подключена к базе Q2). После постоянной времени C1R1 конденсатор C1 полностью разряжается и начинает заряжаться через R1.
Направление зарядки обратное. Когда конденсатор заряжается, он создает достаточное напряжение (0,7 В) для включения транзистора Т2. В это время конденсатор C2 начинает разряжаться через Q2.
Когда пластина конденсатора C2, которая подключена к базе транзистора Т1, становится отрицательной, транзистор Т1 выключается, и этот набор светодиодов выключается.
Теперь конденсатор C1 начинает заряжаться от соответствующих последовательных светодиодов (через базу Т2). Так как этот набор светодиодов подключен в текущем тракте, они будут включены.
Теперь конденсатор С2 разряжается и после полной разрядки начинает заряжаться через R2. Когда заряд накапливается в конденсаторе C2, когда напряжение достигает 0,7 В, он включит транзистор Т1. С этого момента процесс повторяется, как и раньше. Соответственно создается эффект бегущих огней.
Типы светодиодов
Все светодиоды для лампы можно разделить на 2 группы:
- индикаторные;
- осветительные.

Индикаторные светодиоды называются DIP. Они используются в панелях приборов, елочных гирляндах, световых табло. Выпускаются разными по форме и цвету, потребляют очень мало электричества и имеют долгий срок службы.

Самые распространенные виды осветительных светодиодов в лампах на 220 В:
- СОВ;
- SMD;
- PCB Star;
- Filament.
Диоды СОВ имеют большое количество миниатюрных кристаллов на одной подложке. Соединяются кристаллы с помощью последовательно-параллельной схемы, сверху покрываются люминофором. Применяются для получения яркого света в фонарях и других осветительных приборах. Сильно нагреваются при длительном использовании, поэтому в качестве защиты используется силикон.

Имеют следующие преимущества:
- хороший поток света;
- легкий монтаж;
- разная форма сборки.
Недостатки:
- высокая стоимость;
- гарантированный срок службы меньше, чем у SMD.
SMD-светодиоды самые распространенные. Широко используются в светодиодных лампочках 220В и светильниках. Полупроводниковый чип или кристалл располагается на подложке, к которой присоединены контакты подключения.

Преимущества:
- надежность;
- маленькая стоимость;
- долгий срок службы;
- высокая светоотдача.
Диоды PCB Star состоят из одного кристалла большой площади. Он монтируется на алюминиевую подложку в форме звездочки. Используется при производстве ярких фонарей и мощных прожекторов. PCB Star имеют самый большой световой поток.

Светодиоды Filament – это наклеенные на стеклянные полоски кристаллы. С обеих сторон полосы металлизируют. Корпус конструкции – стеклянная колба, как в лампе накаливания. Внутри находится гелий, он используется для охлаждения. Используются при производстве светотехнического оборудования, их недостаток – менее долгий срок службы, чем у SMD.

Как сделать цветомузыку на ку202н
Есть несколько основных способов, по которым можно самостоятельно собрать цветомузыку. Как правило, их схемы отличаются не слишком сильно, так как суть работы у цветомузыки идентична друг другу.
Цветомузыка на тиристорах КУ 202 Н
Зачастую схема предназначена для систем, при которых свет и его яркость никак не зависят от громкости звука. Подача звукового сигнала происходит через выход первичной обмотки разделительного трансформатора.
А второй сигнал служит для поступления сигнала именно на световые фильтры через резисторы. Они и контролируют, и регулируют его уровень.
- Фильтры позволяют четко разделить поступающий сигнал на три основные канала. Первый канал отвечает за самую низкую частоту, и пресекает любую частоту выше 800 Гц.
- Фильтр для второго канала устанавливается на более высокую частоту, которая регулируется до 2000 Гц. Настройка данного фильтра для цветомузыки своими руками выполняется при помощи резистора R15.
Третий канал объединяет в себе всё, что находится выше этих частот. Настраивают третий фильтр при помощи резистора R22.
После пошаговой настройки каждого фильтра сигналы детектируются. Далее они усиливаются и подаются на оконечный каскад. Процедура должна проводиться на мощных транзисторах, либо на тиристорах ку202н.
Порядок сборки схемы
Для того, чтобы сделать цветомузыку на ку202н своими руками, нужно тщательно изучить схему сборки конструкции. Транзистор КТ315 можно заменить сторонними кремниевыми транзисторами, но при условии, что коэффициент усиления не менее 50.
Трансформатор Т1 используется любой, главное, чтоб подходило количество витков. Можно изготовить такую систему самостоятельно, и обмотать их по 150-300 витков каждую.
Диодный мост выбирают исходя из уровня нагрузки, которой будет подвергаться система. Для того, чтоб обеспечить транзисторы достаточным питанием, нужно использовать любой стабилизированный блок питания, минимальный ток которого не менее 250 мА.
Каждый из каналов самодельной цветомузыки собирается отдельно друг от друга.
После нормальной отработки каскада осуществляется сборка активного фильтра. После проверки работоспособности каждого канала получается действительно рабочая система.
Процесс сборки самодельной цветомузыки на ку202н достаточно долгий и кропотливый, но при правильной последовательности получается действительно рабочая система.
Сборка схемы «бегущие огни»
Не менее знаменитая система подсветки, которая активно использовалась при организации вечеринок в стиле «диско».
Схема сборки подразумевает сборку на двух микросхемных триггерах, а также дешифраторах. А для регулировки скорости переключения используют мультивибраторы.
На первичной обмотке стоит трансформатор Тр1, который понижает напряжение. Напряжение в 5 Вт получается при помощи стабилизатора КРЕН5А.
Транзистор должен быть вида КТ315Б, тиристоры выбирают КУ202Н, конденсатор и резистор — используются любые, независимо от типа.
Бегущие огни на 10 светодиодах
Один из самых популярных световых эффектов это эффект бегущие огни. Визуально он выражается в том, что в цепочке каких-либо источников света, например электрических лампочек, в самом простом варианте поочередно загорается один или группа источников, расположенных один возле другого. При этом, благодаря инерции нашего зрения, создается видимость того, что источник света перемещается, «бежит» по цепочке с определенной скоростью. В качестве источников света в таких конструкциях могут использоваться не только электрические лампочки, но и, например, светодиоды.
Простое и в то же время надежное устройство, реализующее световой эффект бегущих огней, можно собрать с использованием обыкновенных светодиодов. Предлагаемая конструкция представляет собой обычный переключатель, в котором напряжение питания поочередно подается на один из десяти светодиодов.
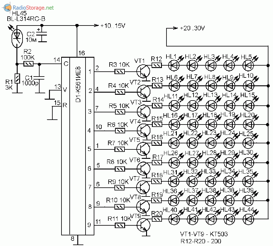
Принципиальная схема бегущих огней

Данное устройство, основу которого составляют две микросхемы и десять транзисторов, условно можно разделить на три функциональных блока: задающий генератор, блок управления и схему индикации. Как и большинство подобных конструкций, предлагаемый модуль изготовлен с использованием счетчиков импульсов. Задающий генератор, формирующий импульсы управления, выполнен на микросхеме IC2, которая включена по схеме нестабильного мультивибратора. При этом рабочая частота задающего генератора определяется величиной сопротивления резистора R1 и значением емкости конденсатора С1. При использовании данных элементов с указанными на принципиальной схеме параметрами частота следования управляющих импульсов будет около 15 ГЦ. С выхода задающего генератора (вывод IC2/3) управляющие импульсы подаются на блок управления, основу которого составляет микросхема IC1, являющаяся счетчиком импульсов. На десяти выходах этой микросхемы обеспечивается последовательное формирование напряжения логической единицы. Первоначально на всех выходах счетчика импульсов присутствуют напряжения логического нуля. Другими словами, уровень напряжения на каждом из выходов микросхемы IC1 (выводы IC1/1-7.9-11) будет низким и недостаточным для того, чтобы открылся транзистор, база которого подключена к соответствующему выходу.
При поступлении от задающего генератора первого управляющего импульса на вход счетчика CLK (вывод IC1/14) на выходе DO0 (вывод IC1/3) сформируется напряжение логической единицы, то есть на этот выход будет подано напряжение более высокого уровня. Таким образом, на одном из выходов блока управления появится управляющее напряжение, которое подается на соответствующий вход блока индикации. В рассматриваемой схеме блок индикации выполнен на транзисторах Т1-Т10 и светодиодах D1-D10.
С выхода DO0 (вывод IC1/3) напряжение высокого логического уровня поступает на базу транзистора Т10 и обеспечивает его отпирание. В результате через открытый переход «коллектор-эмиттер» транзистора Т10 анод светодиода LD10 оказывается подключенным к плюсу источника питания, что приводит к свечению этого диода. Поступление на вход микросхемы IC1 следующего управляющего импульса от задающего генератора обеспечит формирование напряжения логической единицы на выходе DO1 (вывод 1С 1/2). При этом на выходе DO0 вновь появится напряжение низкого логического уровня, транзистор Т10 закроется, а светодиод LD10 погаснет. В то же время транзистор Т9 откроется, а диод LD9 начнет светиться.
При подаче на вход счетчика IC1 непрерывной последовательности из десяти управляющих импульсов напряжение высокого логического уровня будет поочередно формироваться на выходах DO0-DO9, чем будут обеспечены последовательные вспышки светодиодов от LD10 до LD1. Если эти светодиоды расположить один возле другого, то, как уже отмечалось, благодаря инерции нашего зрения, создастся видимость того.что светящийся диод «бежит» по цепочке. После того как на вход счетчика будет подана следующая последовательность из десяти управляющих импульсов, произойдет повторный цикл поочередных вспышек светодиодов. И так будет продолжаться до отключения питания.Остается добавить, что использование в данной схеме транзисторов Т1-Т10 в качестве управляющих работой светодиодов ключей обусловлено тем, что токовая нагрузка микросхемы IC1 весьма незначительна. Поэтому непосредственное подключение отдельных светодиодов к ее выходам может привести к неисправности микросхемы
Принципиальная схема бегущей строки на светодиодах
Контроллер взаимодействует через специальный интерфейс с внешними устройствами ввода. Это может быть обычная клавиатура, компьютер, смартфон. На основании полученных данных формируется полная цифровая матрица изображения, которая впоследствии выводится на плату с индикаторами.
Самостоятельную сборку бегущей строки можно выполнить на модуле управления на основе Arduino и несколько светодиодных блоков на контроллере max7219.
Модуль состоит и контроллера, и блока светодиодов 8х8 элементов. Такой размер элемента минимальный для вывода символов. Дело в том, что все матричные принтеры формировали изображение на печать именно на основе такого формата.
Создание гирлянды из старой клавиатуры
Для ускоренного создания гирлянды можно воспользоваться одним из самых бюджетных вариантов, связанных с разборкой старых компьютерных устройств ввода – мыши и клавиатуры.
В процессе выполнения работы вам понадобятся:
- несколько старых клавиатур, которые могут быть даже нефункционирующими;
- паяльник;
- резисторы;
- изолента или скотч;
- термоусадочные кембрики;
- припой и канифоль.
Сначала удалите провода из клавиатуры и отсоедините USB-кабель. Для повышения шансов на выполнение качественной работы вам понадобятся около 5 устройств ввода: возможно, таковые имеются у ваших друзей, близких, поспрашивайте на городском форуме.
Каждая клавиатура оснащена 3-мя светодиодами, указывающими на работу 3 основных функций изделия на кнопках Num Lock, Caps Lock и Scroll Lock. Если же вам под руку попалась ненужная геймерская клавиатура, то все будет намного проще, ведь она зачастую включает огромное количество светодиодов.
Выполните разборку изделия и вытащите из него маленькую плату с контроллером. Она будет использоваться для соединения различных лампочек. Создайте изделие из 12 элементов, подключенных к резисторам по параллельной схеме. Превышать это значение не стоит, поскольку стандартный USB-кабель, от которого питается клавиатура, передает напряжение до 5 В при силе тока 500 мА.
Рабочее напряжение отдельных элементов не превышает 5 В. При прямом подключении без резистора будет происходить перегрев, который рано или поздно приведет к перегоранию компонентов. Именно поэтому напряжение понижается за счет дополнительного сопротивления или методом попарной спайки элементов. Во втором случае каждый отдельный компонент будет понижать напряжение «своего соседа». К сожалению, такой вариант считается менее оптимальным и эффективным: лучше всего следить за установленным лимитом вольтажа и не выходить за их пределы.

Далее следует взять простой кабель и на одной из его сторон удалить оплетку, а затем выполнить пайку. После создания изделия нужной длины и формы, остается заизолировать оголенные части.
Создать самодельную новогоднюю гирлянду из светодиодов проще простого: запаситесь необходимыми элементами и инструментами, выполните расчет (с этим могу помочь специалисты) или найдите в сети любую проверенную схему подключения. Затем следуйте нашим инструкциям, и в итоге получите функционирующее, качественное и безопасное изделие.
Сердце бегущих огней
То, что AVR микроконтроллеры Atmel обладают высокими эксплуатационными характеристиками – всем известный факт. Их многофункциональность и лёгкость программирования позволяет реализовывать самые необыкновенные электронные устройства. Но начинать знакомство с микроконтроллерной техникой лучше со сборки простых схем, в которых порты ввода/вывода имеют одинаковое назначение. Одной из таких схем являются бегущие огни с выбором программ на ATtiny2313. В данном микроконтроллере есть всё необходимое для реализации подобных проектов. При этом он не перегружен дополнительными функциями, за которые пришлось бы переплачивать. Выпускается ATtiny2313 в корпусе PDIP и SOIC и имеет следующие технические характеристики:
- 32 8-битных рабочих регистра общего назначения;
- 120 операций, выполняемых за 1 тактовый цикл;
- 2 кБ внутрисистемной flash-памяти, выдерживающей 10 тыс. циклов запись/стирание;
- 128 байт внутрисистемной EEPROM, выдерживающей 100 тыс. циклов запись/стирание;
- 128 байт встроенной оперативной памяти;
- 8-битный и 16-битный счётчик/таймер;
- 4 ШИМ канала;
- встроенный генератор;
- универсальный последовательный интерфейс и прочие полезные функции.
Энергетические параметры зависят от модификации:
- ATtiny2313 – 2,7-5,5В и до 300 мкА в активном режиме на частоте 1 МГц;
- ATtiny2313А (4313) – 1,8-5,5В и до 190 мкА в активном режиме на частоте 1 МГц.
В ждущем режиме энергопотребление снижается на два порядка и не превышает 1 мкА. Кроме этого данное семейство микроконтроллеров обладает целым рядом специальных свойств. С полным перечнем возможностей ATtiny2313 можно ознакомиться на официальной страничке производителя www.atmel.com.
Переводчик
Мы в соц.сетях:
Коротко о сайте:
Мастер Винтик. Всё своими руками!
– это сайт для любителей делать, ремонтировать, творить своими руками! Здесь вы найдёте бесплатные справочники, программы. На сайте подобраны простые схемы, а так же советы для начинающих самоделкиных. Часть схем и методов ремонта разработана авторами и друзьями сайта. Остальной материал взят из открытых источников и используется исключительно в ознакомительных целях.
или через форму.Программы, схемы и литература – всё БЕСПЛАТНО!Если сайт понравился, добавьте в избранное (нажмите Ctrl + D)
, а также можете подписаться на RSS новости и всегда получать новые статьи по ленте. Если у вас есть вопрос по схеме или поделке? Добро пожаловать на наш ФОРУМ! Мы всегда рады оказать помощь в настройке схем, ремонте, изготовлении поделок!
Рекомендации
Если у вас под рукой только обычные пальчиковые батарейки – по 1,5 Вольта, для достижения необходимого напряжения их можно объединить. К плюсу одной батарейки подключаем минус второй, к плюсу второй – минус третьей и так далее. Это называется – последовательное соединение. Для достижения напряжения 6 Вольт, нам необходимо соединить последовательно 4 батарейки по 1,5 Вольта.При подключении бегущих огней от блока питания, необходимо убедится в полярности и уровне напряжения. Обычно вся информация нанесена на корпус блока. Если таких сведений нет, необходимо воспользоваться вольтметром. В вольтметре контакты подписаны, обычно плюс красного цвета, минус черного. При правильном подключении к блоку питания прибор покажет положительное значение, например 12 Вольт. Если плюс и минус перепутаны, то показания вольтметра будут отрицательными, то есть со знаком минус, – 12 Вольт.В качестве микросхемы IC 4017, можно использовать отечественный аналог – микросхему К561ИЕ8. Мигающий светодиод лучше использовать красного цвета – у него выше напряжение импульса. Двухцветные мигающие светодиоды использовать нельзя, с ними схема работать не будет.
Бегущие огни
Бегущие огни на светодиодах – один из вариантов автоматического устройства, основанного на осветительных приборах типа LED или более простых видах, которые достаточно широко применяются в рекламных световых конструкциях, а также в автомобильной промышленности. По своей сути это устройство, которое управляет светодиодами и приборами на их основе строго в соответствии с программой, заложенной в микросхеме.
Весьма популярны при управлении световыми приборами устройства, построенные на основе программируемых контроллеров. По такому принципу работает большая часть бегущих огней. К числу массовых, наиболее распространенных микросхем управления можно отнести восьмиразрядную микросхему-контроллер с накопителем памяти PIC12F629. И простейший прибор, который можно сделать своими руками с его применением – это реверсивные бегущие огни, т. е. выполняющие попеременное возвратно-поступательное включение светодиодов или иных источников света.
Схема подобного прибора достаточно проста и содержит только управляющее устройство с уже заложенной в память соответствующей программой. Напряжение подается от источника стабилизированного питания пяти или двенадцати вольт с применением дополнительного интегрального стабилизатора.
Тестирование мигающих RGB светодиодов
Компьютерный блок питания выступает идеальным вариантом тестирования светодиодов SMD0603. Нужно просто поставить резистивный делитель. Согласно схеме технической документации оценивают сопротивления p-n переходов в прямом направлении, заручившись помощью тестера. Прямое измерение здесь невозможно. Соберем схему, показанную ниже:

Схема оценки сопротивления p-n переходов
Микросхема дана вместе с номерами ножек согласно техническим характеристикам.
Питание подается на катод, полярность напряжения отрицательная. 3,3 вольта хватит открыть p-n переходы.
Переменный резистор нужен небольшого номинала. На рисунке установлен с максимальным пределом 680 Ом. В таком положении должен находиться изначально.
Сопротивление открытого p-n перехода невелико, нужен значительный запас, чтобы диоды не погорели (помним, что максимальное прямое напряжение составляет 3 В)
Принимается во внимание факт: при низком вольтаже сопротивление каждого светодиода составит 700 Ом. При параллельном включении суммарное сопротивление вычисляется формулой, показанной на рисунке. Подставляя в качестве трех входных параметров 700, получаем 233 Ом
Сопротивление светодиодов, когда только-только начнут открываться (по крайней мере, так полагаем). Формула расчета суммарного сопротивления
Подставляя в качестве трех входных параметров 700, получаем 233 Ом. Сопротивление светодиодов, когда только-только начнут открываться (по крайней мере, так полагаем). Формула расчета суммарного сопротивления
Понадобится контролировать режим тестером (см. рисунок). Постоянно измеряем напряжение на светодиодной микросхеме, одновременно уменьшая значение сопротивления, пока разница потенциалов поднимется до 2,5 В. Дальше повышать вольтаж попросту опасно, быть может, многие остановятся на 2,2 В.
Затем из пропорции найдем искомое сопротивление светодиодной микросхемы: (3,3 – 2,5)/2,5 = R пер / Rобщ, R пер – сопротивление переменного резистора, когда напряжение на дисплее тестера достигает 2,5 В. R общ = 3,125 R пер.
Провод +3,3 В блока питания компьютера оранжевой изоляции, схемную землю берем с черного
Обратите внимание: опасно включать модуль без нагрузки. Идеально подключить DVD-привод или другое устройство. Допускается при наличии умения обращения с приборами под током снять боковую крышку, извлечь оттуда нужные контакты, не снимать блок питания
Подключение светодиодов иллюстрирует схема. Измерили сопротивление на параллельном подключении светодиодов и остановились?
Допускается при наличии умения обращения с приборами под током снять боковую крышку, извлечь оттуда нужные контакты, не снимать блок питания. Подключение светодиодов иллюстрирует схема. Измерили сопротивление на параллельном подключении светодиодов и остановились?
Теперь знаем, как сделать мигающую светодиодную подсветку своими руками. Можно ли варьировать время срабатывания. Полагаем, внутри должны использоваться емкости. Возможно, собственные паразитные элементы p-n переходов светодиодов. Подключая переменный конденсатор параллельно схеме на вход, можно попробовать что-либо изменить. Номинал очень мал, измеряется пФ. Маленькая микросхема лишена больших емкостей. Допускаем, резистор, подключенный параллельно микросхеме (см. пунктир на рисунке), усаженный на землю, будет образовывать точный делитель. Стабильность возрастет.
Номиналы нужно брать весомые, не забывать: значительно ограничим ток, идущий через светодиоды. Фактически потребуется продумать вопрос согласно ситуации.
Как сделать своими руками динамические поворотники (с накоплением) из KIT DIY набора с AliExpress
В этой статье описано как своими руками сделать на базе конструктора более интересную схему динамических поворотников в авто или на гирлянды и т.д.
Привлекла смешная цена в 63 рубля и возможность потренироваться в пайке SMD радиоэлементов.
Этот конструктор состоит из печатной платы размером 20х55мм и соответственно набора необходимых радиодеталей. На плате обозначены места установки всех компонентов и их номиналы, так что трудностей с монтажом особых нет.
Весь процесс изготовления и работу схемы можно посмотреть в видео:
-набор бегущие огни на микросхеме CD4017 или К561ИЕ8 (ссылка на набор);
-отвертка;- ножницы;-паяльник;-кембрик;-аккумуляторная батарея от сотового телефона;-блок питания на 12В;-соединительные провода;-фольгированный текстолит для печатной платы;-микросхемы К561ТМ2;-резисторы;-транзисторы КТ815(или аналоги);-светодиоды.
Все что необходимо это распаять компоненты набора на плату. В виду миниатюрных размеров SMD радиоэлементов использовал «третью руку» с увеличительным стеклом. Сначала распаял резисторы, конденсаторы и другие компоненты схемы кроме микросхем. В конце распаиваем микросхемы и светодиоды.Данная схема работает от 3 до 15В.
Позже в процессе экспериментов вышла из строя микросхема CD4017. По быстрому на проводах пришлось заменить ее на отечественный аналог К561ИЕ8. Хотелось получить более интересные световые эффекты бегущих огней. В результате собрал еще одну печатную плату с триггерами К561ТМ2 и силовыми ключами на КТ815.
Если нужно подключать более мощную нагрузку то надо заменить КТ815 соответственно на более мощные транзисторы. Так как я применил четыре микросхемы К561ТМ2 то получилась схема на восемь каналов.

Мнение эксперта
It-Technology, Cпециалист по электроэнергетике и электронике
Задавайте вопросы «Специалисту по модернизации систем энергогенерации»
Мигающий светодиод (на одном транзисторе): как сделать мигалку своими руками, схема При прошивки мкроконтроллера ATtiny2313, фьюзы следует выставить как на рисунке для программы PonyProg, а для утилиты CodeVisionAVR указание битов следует прописать инверсными. Спрашивайте, я на связи!
Интерфейс ввода информации для последующего вывода на светодиодную матрицу
Для того что бы менять выводимый текст на своё усмотрение потребуется устройство ввода информации.
Способы передачи информации на контроллер Arduino:
- через клавиатуру с PS2 интерфейсом;
- через программную клавиатуру;
- через смартфон.
Вариантов обмена данными с платой контроллера, помимо стандартного подключения к компьютеру через ICP протокол, существует много.
В оболочку Аrduino IDE встроена библиотека для работы с PS2 клавиатурой. Можно использовать программные модули для работы со стандартной восьмикнопочной клавиатурой Аrduino. Организация ввода построена по принципу мобильных телефонов, когда на одной кнопке «подвешено» несколько символов. Подключив к плате Аrduino блютуз модуль возможно передавать тестовую информацию через смартфон.
Когда вы разберётесь с организаций бегущей строки на стандартных модулях Arduino, можно будет переходить к следующему этапу.





























